详细介绍
![]() |
![]() |
JIS液压符号
![]() |
参 数
|
型 号
|
最高使用压力MPa
|
质 量 kg
|
||
|
管式连接
|
板式连接
|
DT型
|
DG型
|
|
|
DT-01-22
|
DG-01-22
|
25
|
1.6
|
1.4
|
型号说明
|
F-
|
D
|
T
|
-01
|
-22
|
|
特殊密封
|
板式连接
|
连接形式
|
公称尺寸
|
注)设计号
|
|
F:使用磷酸酯工作液时标注
|
D:遥控溢流阀
|
T:管式
|
01
|
22
|
|
G:板式
|
22
|
注:产品改进而改变设计号,不作事先通知;设计号的下一位改变,安装尺寸
及性能参数不变
密封件表
|
DT-01
|
|||||||||||||
![]() |
|
||||||||||||
|
DG-01
|
|||||||||||||
![]() |
|
||||||||||||
使用注意事项
- 压力调整时,先松开锁紧螺母,顺时针旋转手轮,压力升高,反之降低。
手轮每旋转一周, 压力变化约5.0MPa。调整好后,拧紧锁紧螺母。
- 压力调整会受到垫圈的限制,但达不到使用压力时,请拆下垫圈,一个垫圈
约10.0MPa。
- 当管路的容积过大时,易产生振动,请使用内径4mm左右的配管
- 回油口配管不要与其它管路连接,而直接接回油箱。
附 件
●安装螺钉
|
型号
|
内六角螺钉GB-70-85
|
|
DG-01
|
M5×45……4个
|
底 板
|
型号
|
底板 型号
|
通径
|
质量kg
|
|
DG-01
|
DGM-02-20
|
1/4
|
0.7
|
●使用底板时,请按上面型号订货,不使用底板时,阀安装面的精度;
平面度0.013mm,粗糙度0.0016mm。
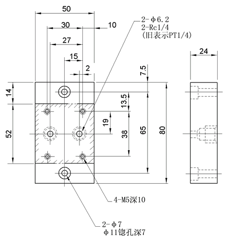
外形尺寸
|
DT-01
|
![]() |
|
![]() |
![]() |
|
DG-01
|
![]() |
![]() |
|
底 板 DGM-02
|
![]() |















